美國VICKERS威格士葉片泵25V-17A/19A/21A/25A-1A/1B/1C/1D-22R

液壓系統過濾器選用要求
液壓系統過濾器的選用要求:
1.具有足夠大的通油能力 壓力損失小;
2.過濾精度滿足設計要求;
3. 濾芯具有足夠的強度和納污容量;
4.濾芯抗腐蝕性能好 可在規定溫度下長期有效工作;
5.濾芯的更換、清洗及維修方便;
在選擇液壓系統的主要過濾器時其精度的確定應考慮系統中關鍵元件能夠耐受的油液污染度、系統的污染物侵入工作條件等因素。
從污染磨損控制的觀點出發,過濾器的精度應能保證有效地濾除尺寸接近元件運動付動態油膜厚度的顆粒因為這種尺寸的顆粒一旦進入到運動副的間隙內,將引起元件表面磨損并使聞隙增大,從而使尺寸較大的顆粒進入間隙,引起進一步的磨損,造成嚴重磨損的連鎖反應 最終導緻元件的失效。
過濾器的尺寸或流量一般可根據系統的流量來確定,但還要考慮濾芯的使用壽命。
在污染物侵入率一定的條件下,液壓系統油液的污染度主要取決于過濾器的過濾精度。然而,過濾器的過濾性能往往受到一些實際因素的影響,如液壓系統內流量波動和過濾器濾芯的旁路洩漏都將降低過濾器的過濾性能。








20V系列
20V11A-1A22L 20V11A-1A22R 20V11A-1B22R 20V11A-1C22R 20V11A-1D22R
20V12A-1A22R 20V12A-1D22R 20V5A-1C22R 20V5A-1D22R 20V8A-151C22R
20V8A-1A22R 20V8A-1C22L 20V8A-1C22R 20V8A-1D22R
20VQ系列
20VQ5A-1C30
2520系列
2520V14A11-1CC22 2520V17A11 1DD22R 2520V17A11 86DD22R
2520V17A11-1CC22R 2520V17A11-1DD22R 2520V17A11-86DD22R
2520V17A14 1AA22R 2520V17A14 1CB22R 2520V17A14 1CC22R
2520V17A14-1AA22R 2520V17A14-1CB22R 2520V17A14-1CC22R
2520V17A5 1AB22R 2520V17A5 1BB22R 2520V17A5 1CC22R
2520V17A5 1DD22R 2520V17A5-1AA-22R 2520V17A5-1AB22R
2520V17A5-1BB22R 2520V17A5-1CC22R 2520V17A5-1DD22R
2520V17A8 1AA22R 2520V17A8 1BB22R 2520V17A8 1CB22R
2520V17A8 1CC22L 2520V17A8 1CC22R 2520V17A8-1AA22R 2520V17A8-1BB22R
2520V17A8-1CB22R 2520V17A8-1CC22L 2520V17A8-1CC22R
2520V21A11-1AA22R 2520V21A11-1AB22R 2520V21A11-1BB22R
2520V21A11-1CC22R 2520V21A11-1DA22R 2520V21A12-1AA22R
2520V21A12-1BB22R 2520V21A12-1CB22R 2520V21A12-1CC22R
2520V21A12-1DD22R 2520V21A14-1AA22R 2520V21A14-1AB22R
2520V21A14-1AC22R 2520V21A14-1AD22R 2520V21A14-1CB22R
2520V21A14-1DD22R 2520V21A2 1AA22R 2520V21A2 1CC22R
2520V21A2-1AA22R 2520V21A2-1CC22R 2520V21A5 1AA22R
2520V21A5 1CC22R 2520V21A5-1AA22R 2520V21A5-1CC22R
2520V21A5-1DD22R 2520V21A8-1AA22R 2520V21A8-1BB22R
2520V21A8-1CC22R 2520V21A8-1DD22R
2520VQ系列
2520VQH17A12-1DD20R
2525V系列
2525V21A17-86DA22R
25V系列
25V10A-1A22R 25V10A-1C22R 25V12A-11A22R 25V12A-1B22R 25V12A-1C22R
25V12A-1C-22R 25V12A-1D22R 25V14A-1A-22R 25V17A-1A-22R 25V21A-1A-22R
25V21A-1B-22R 25V21A-1C-22R
3520V系列
3520V25A11-1BB22R 3520V25A11-86AB22R 3520V25A12-1AA22R
3520V25A12-1CC22R 3520V25A12-1DD22R 3520V25A5-1AA22R
3520V25A5-1CC22R 3520V25A8-86CB22R 3520V3***14-1AA22R
3520V30A14-1CC22R 3520V30A2-1CC22R 3520V30A5-1DB22R
3520V30A5-1DC22R
3525V系列
3525V30A21-1CC22R 3525V38A14-1CC22R
35V系列
35V-25A-1A-22R 35V-25A-1B-22R 35V-25A-1C-22R 35V-25A-1D-22R
35V-30A 1D-22R 35V-30A-1A-22R 35V-30A-1B-22L 35V-30A-1B-22R
35V-30A-1C-22R 35V-30A-86A-22R 35V-35A-1B-22R 35V-35A-1C-22R
35V-35A-1D-22R 35V-38A-1A22L 35V-38A-1A-22R 35V-38A-1B-22R
35V-38A-1C-22R 35V-38A-1D-22R 35V60A25-1AA-22R
35VQ系列
35VQ-35A-1C2045
4520V系列
4520V60A11-1CC22R
4525V系列
4525V42A21-1CC22R 4525V50A21-1AA22R 4525V60A12-1AA-22R
4525V60A12-1CC-22R 4525V60A14-1CC22R 4525V60A21-1AA22R
4525V60A21-1CC22R
4535V系列
4535V42A30-1BB22R 4535V42A30-1DD22R 4535V42A35-1CC22R
4535V60A25-1AA-22R 4535V60A25-1CC-22R 4535V60A38-1CC22R
45V系列
45V42A-1C22R 45V50A-1B22R 45V50A-1C22R 45V60A-1A22R
45V60A-1C22R PVB10RS40C11
PVB系列
PVB15RS40C11 PVB20RS40C11 PVB29RS40C11 PVB29-RS41-C12 PVB45RS40C11
PVB45-RS41-C12 PVB5-RS40-C11 PVB6RS40C11
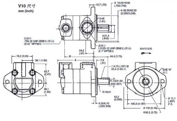
VICKERS柱塞泵、VICKERS葉片泵、VICKERS電磁閥、VICKERS油泵、VICKERS變量泵、VICKERS液壓馬達、VICKERS方向閥、VICKERS壓力閥、VICKERS流量閥、VICKERS比例閥、VICKERS定量泵、VICKERS馬達等。 VICKERS系列 葉片泵有V系列、V(Q)系列、 威格士柱塞泵系列 威格士PVQ系列:PVQ5、PVQ10、PVQ13、PVQ20、PVQ25、PVQ29、PVQ45、PVQ32-B2R-SE1S , PVQ32-B2R-SS1S PVB系列:PVB5、PVB10、PVB15、PVB20、PVB25、PVB29、PVB45 軸向柱塞泵:PVB5/6、PVB10/15、PVB20/29、PVB45、PVB90;PVB20-F-MRSFXN PV柱塞泵:PV066、PV090、PV130、PV180、PV250; PVH柱塞泵:PVH57QIC,PVH63QIC,PVH74QIC,PVH81QIC,PVH98QIC,PVH106QIC,PVH131QIC PVH141QIC,PVH074R13 PVM柱塞泵:PVM018/020、PVM045/050、PVM057/063、PVM131/14等 威格士泵芯:60S、57S、50S、47S、45S、42S、38S、35S、30S、25S、21S、17S、14S、12S、11S、9S、8S、5S 威格士葉片泵 系列(Q)V10、V20 、20V、25V、35V、45V。 威格士雙聯葉片泵:2520V、3520V、3525V、4520V、4525V、4535V
本文由蘇州逐利機電整理發布,如需轉載請瀏覽來源及出處,原文地址:http://www.hd-chaiqian.com.cn/yyyb/29.html






留言信息